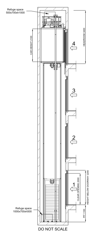
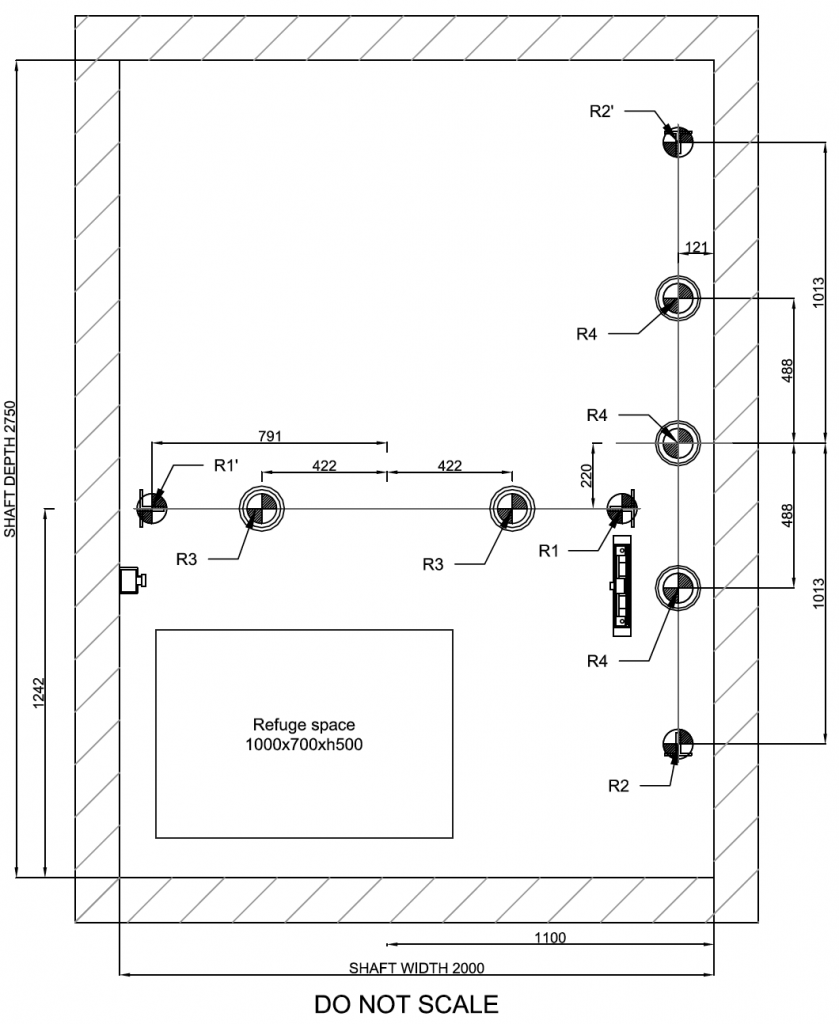
Take a look through a number of our drawings. These are available to download in PDF and DWG format.
8 Person 630kg
To view DWG files, you will need to have Autocad or similar installed.
13 Person 1000kg
To view DWG files, you will need to have Autocad or similar installed.
17 Person 1275kg
To view DWG files, you will need to have Autocad or similar installed.
21 Person 1600kg
To view DWG files, you will need to have Autocad or similar installed.
To view DWG files, you will need to have Autocad or similar installed.


Classic Lifts is rebranding as andwis Lifts.
As of 1 April 2026, Classic Lifts officially began trading as andwis Lifts.This change reflects our alignment with the wider andwis Group and its lift businesses, allowing us to offer customers a more connected and integrated approach to lift expertise and services.While our name is changing, our team, location, and commitment to delivering high-quality lift services remains exactly the same.We will continue to support our customers under our new name, andwis Lifts..












